210TD25Q100

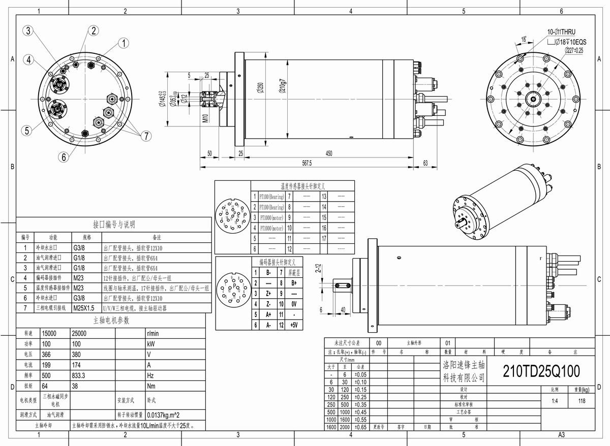
高速电机,转速25000r/min,功率100kW,扭矩64NM,电机类型:同步电机产品图纸如下:210TD25Q100...

产品详情

高速电机,转速25000r/min,功率100kW,扭矩64NM,电机类型:同步电机

产品图纸如下:

210TD25Q100_CHN

210TD25Q100_CHN

相关推荐