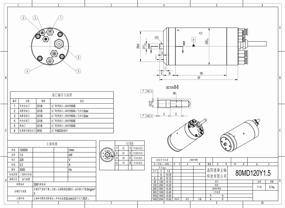
内圆磨80MD120Y1.5

内圆磨电主轴,转速120000r/min,功率1.5kW,电机类型:异步电机产品图纸如下:80MD120Y1.5_CHN...

产品详情

内圆磨电主轴,转速120000r/min,功率1.5kW,电机类型:异步电机

产品图纸如下:

80MD120Y1.5_CHN

80MD120Y1-cn

相关推荐